LFEF系列烘干机、玻纤袋除尘器 |
| 简介: |
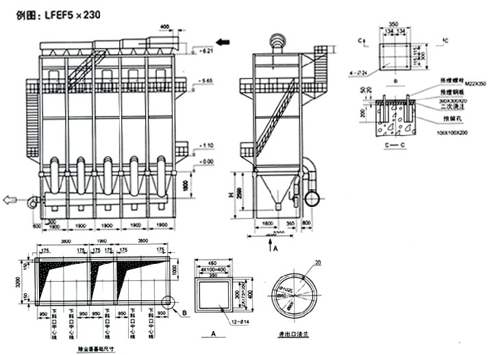
LFEF系列烘干机玻纤袋除尘器是国家建材局合肥水泥研究设计院专业为φ1.5×12M、φ1.5×15M、φ2.2×12M、φ2.4×16M、 等规格的烘干机烟气除尘开发研制的新产品,该产品采用获得一九八九年度部级科学技术进步奖的立窑正经纤袋除尘新技术, 微机控制分室反吹、定时、定阻清灰,温度检测显示等,使玻纤袋除尘器在烘干机烟气除尘中高效、稳定运行,烟囱出口排 放浓度低于国家规定的150mg/m3n排放标准(实际可保证≤150mg/m3n)。该设备可不停机分室换袋,操作简单,安全可靠,运 行费用低,是目前国内烘干机烟气除尘最理想设备。 |
| 技术性能: |
![]() |
|
|
![]() |