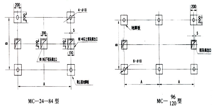
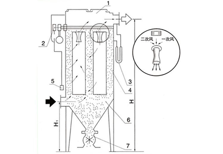
MC24-120Ⅱ型脉冲袋式除尘器
简介:

MX-Ⅱ型脉冲袋式除尘器是在MC—Ⅰ型的基础上,改进的新型高效脉冲袋式除尘器。为了进一步完善MC—Ⅰ型脉冲袋式除尘器,将原进

行了修改,改后的MC—Ⅱ型脉冲袋式除尘器保留了MC—Ⅰ型的净化效率高,处理气体能力大,性能稳定,操作方便、滤袋寿命长、维修

工作量小等优点。而且从结构上和脉冲阀上进行改革,解决了露天安放和压缩空气压力低的问题。适用机械、冶金、橡胶、面粉、化工

、制药、碳素、建材、矿山等单位。

技术性能: